MetalMan's 1.8T FrankenTurbo (F4H-L, F21) Build Thread
It happens LOL. I just don't want to leave anything to chance when it comes to remembering all of my future plans and past work, since it is such an extensive amount!
Onto the update: the '98 A4 is nearly back together, with a mostly-stock engine bay, and ATW coils swapped back in so I can put the FSI coils in the '01 (also gapped the '98 plugs to 0.028").
Just need to install the air box and radiator support, fill the oil and coolant, and then the car will be ready to turn over! It's about time considering the car has been sitting in my parents' driveway for weeks...
As for the '01 A4: just yesterday I bought an 034 rear sway bar with subframe brackets, replaced the instrument cluster and swapped EEPROMs to retain mileage information, and received an OEM strut tower brace from BaseDrifter
(strange that this is an '01.5 which apparently should have come from the factory with a strut brace installed)
Been working on amassing an army of parts to install on the '01. It's tough now that I'm married, because it's no longer just my money I'm spending on car parts. All I can do at this stage is try to sell old parts and hope for the best!
Onto the update: the '98 A4 is nearly back together, with a mostly-stock engine bay, and ATW coils swapped back in so I can put the FSI coils in the '01 (also gapped the '98 plugs to 0.028").
Just need to install the air box and radiator support, fill the oil and coolant, and then the car will be ready to turn over! It's about time considering the car has been sitting in my parents' driveway for weeks...
As for the '01 A4: just yesterday I bought an 034 rear sway bar with subframe brackets, replaced the instrument cluster and swapped EEPROMs to retain mileage information, and received an OEM strut tower brace from BaseDrifter
(strange that this is an '01.5 which apparently should have come from the factory with a strut brace installed)Been working on amassing an army of parts to install on the '01. It's tough now that I'm married, because it's no longer just my money I'm spending on car parts. All I can do at this stage is try to sell old parts and hope for the best!
Update since 3 days ago... turns out the 2001 A4 already has the same TSI coil packs I pulled from the '98! So now I have a spare set of coil packs.
Finally got the '98 A4 all together and running, but it wasn't without a little struggle. A coolant leak developed where the coolant crossover pipe meets the coolant flange, despite having an o-ring in there. So I ran to the auto parts store and found a new one (the old one was kinda flattened), put that it, re-filled the coolant, and no more coolant leak
Right now there's only a stock cat and a stock downpipe for exhaust... kinda loud and gurgle-y sounding lol. Gonna go to the exhaust guy after work and see if he'll make me a transition piece between the 2.5" exhaust and the stock downpipe.
Finally got the '98 A4 all together and running, but it wasn't without a little struggle. A coolant leak developed where the coolant crossover pipe meets the coolant flange, despite having an o-ring in there. So I ran to the auto parts store and found a new one (the old one was kinda flattened), put that it, re-filled the coolant, and no more coolant leak

Right now there's only a stock cat and a stock downpipe for exhaust... kinda loud and gurgle-y sounding lol. Gonna go to the exhaust guy after work and see if he'll make me a transition piece between the 2.5" exhaust and the stock downpipe.
I've spent MANY hours in planning mode for the 2001 A4. The goal being: take the car apart as few times as possible, to try to accomplish everything possible. So for example, when I put the A4 into service position here is what I plan to do:
-timing belt/tensioner/etc replacement, and coolant flush
-new coolant expansion tank and cap
-new coolant temp sensor
-swap in FrankenTurbo components and stainless steel oil feed line and MBC
-oil change, including installation of magnetic oil drain plug
-Stern snub mount
-electric fan conversion with shorter belt
-replace all vacuum lines and check valves
-refresh PCV system components with 034 Motorsport's silicone breather hose kit
-remove suction jet pump, and re-plumb brake booster vacuum source and PCV to IM connection
-remove SAI system
-remove N249 (DV control solenoid); vacuum line straight from IM to DV
-remove engine-bay-related components for the constant vacuum reservoir system
-probably should put in a FMIC, but that's always a pain, especially behind a stock bumper...
-may also install my catch can setup
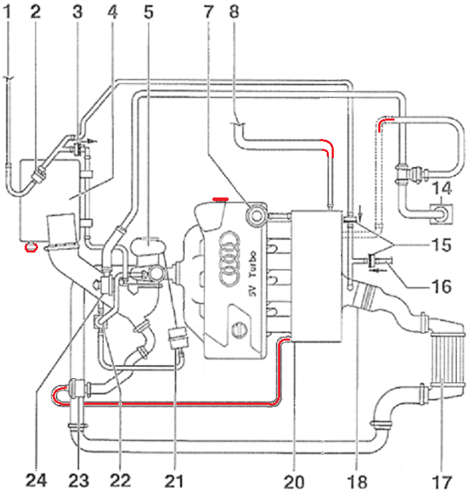
And I've sort of recreated my own version of walky_talky20's B5 1.8T Vacuum/Check Valve/SAI/PCV - Delete & Simplification into this image:

It's pretty much the same as his, but I'm showing different locations for the PCV and brake booster vacuum sources on the intake manifold.
Also anything in red means there is a modification performed. Not shown is that the ECU harness will have resistor plugs inserted for the N112 (SAI) and N249 (DV) valves.
-timing belt/tensioner/etc replacement, and coolant flush
-new coolant expansion tank and cap
-new coolant temp sensor
-swap in FrankenTurbo components and stainless steel oil feed line and MBC
-oil change, including installation of magnetic oil drain plug
-Stern snub mount
-electric fan conversion with shorter belt
-replace all vacuum lines and check valves
-refresh PCV system components with 034 Motorsport's silicone breather hose kit
-remove suction jet pump, and re-plumb brake booster vacuum source and PCV to IM connection
-remove SAI system
-remove N249 (DV control solenoid); vacuum line straight from IM to DV
-remove engine-bay-related components for the constant vacuum reservoir system
-probably should put in a FMIC, but that's always a pain, especially behind a stock bumper...
-may also install my catch can setup
And I've sort of recreated my own version of walky_talky20's B5 1.8T Vacuum/Check Valve/SAI/PCV - Delete & Simplification into this image:

It's pretty much the same as his, but I'm showing different locations for the PCV and brake booster vacuum sources on the intake manifold.
Also anything in red means there is a modification performed. Not shown is that the ECU harness will have resistor plugs inserted for the N112 (SAI) and N249 (DV) valves.
Had the '98 A4's exhaust fixed up yesterday with a connection made between the stock downpipe and my (newer) custom 2.5" exhaust. The car seems so quiet now (relatively) with stock turbo/cat/downpipe lol. It cost more than I anticipated, but at least it's done.
Also just ordered a timing belt kit for the 2001 A4 from Blauparts. Their kit that's in my '98 A4 seems to still be going strong after a couple years (knock on wood) and they've got a good price with free shipping
Also just ordered a timing belt kit for the 2001 A4 from Blauparts. Their kit that's in my '98 A4 seems to still be going strong after a couple years (knock on wood) and they've got a good price with free shipping
Today I changed the fuel filter in the 2001 A4 1.8TQM. Wasn't too bad, but the last bolt for the tank strap took me and a buddy 30mins to get back in place... it didn't want to go in straight.
Also swapped the shift linkages between both Audis, because I had previously installed the JHM solid shift linkage upgrade on the '98, and wanted to move that modification to the 2001 A4. Fortunately Audi used the same shift linkage between FWD and Quattro, and 1998 to 2001
Along with that I moved my JHM solid shifter from the '98 A4 to the 2001, and moved the stock shifter from the 2001 A4 to the '98 but also installed my old Ebay short shifter kit!
But the part that made my day: one of my goals for the day was to install the Stern Power Ring differential bushing kit, but I found that there was no stock rear diff mount on the car... in its place is an Apikol rear diff mount!! The feeling I got when I saw that would be like finding a $100 bill in a pair of pants you have worn in a while
Also swapped the shift linkages between both Audis, because I had previously installed the JHM solid shift linkage upgrade on the '98, and wanted to move that modification to the 2001 A4. Fortunately Audi used the same shift linkage between FWD and Quattro, and 1998 to 2001

Along with that I moved my JHM solid shifter from the '98 A4 to the 2001, and moved the stock shifter from the 2001 A4 to the '98 but also installed my old Ebay short shifter kit!
But the part that made my day: one of my goals for the day was to install the Stern Power Ring differential bushing kit, but I found that there was no stock rear diff mount on the car... in its place is an Apikol rear diff mount!! The feeling I got when I saw that would be like finding a $100 bill in a pair of pants you have worn in a while
Last edited by MetalMan; Sep 30, 2013 at 12:47 PM.
This morning I bought some more parts:
-all-metal rear sway bar endlinks, to accompany the 034 Motorsport rear sway bar with subframe brackets (which is also on the way)
-Total Quartz Energy 9000 5W40 5qt jug of oil
-2 Meyle rear brake rotors for the B5 S4
Soon I will start stripping and rebuilding the used S4 rear calipers/carriers I bought. They are in pretty poor shape, unfortunately :/ so that means all new caliper seals (not just piston seals) and new caliper carrier guide pins/boots. I found what appears to be a pretty good guide for this:
rear caliper rebuild guide - AudiWorld Forums
Also loving driving the 2001 A4 with the JHM short shifter and solid linkage upgrade! It's still stock power and stock suspension, so that, of course, limits my enjoyment a bit
-all-metal rear sway bar endlinks, to accompany the 034 Motorsport rear sway bar with subframe brackets (which is also on the way)
-Total Quartz Energy 9000 5W40 5qt jug of oil
-2 Meyle rear brake rotors for the B5 S4
Soon I will start stripping and rebuilding the used S4 rear calipers/carriers I bought. They are in pretty poor shape, unfortunately :/ so that means all new caliper seals (not just piston seals) and new caliper carrier guide pins/boots. I found what appears to be a pretty good guide for this:
rear caliper rebuild guide - AudiWorld Forums
Also loving driving the 2001 A4 with the JHM short shifter and solid linkage upgrade! It's still stock power and stock suspension, so that, of course, limits my enjoyment a bit
This is kinda crazy... Eibach posted over on Fourtitude forums that they're looking for a B5 A4 Quattro to test fit new prototype coilovers... my 2001 A4 Quattro is on stock suspension and I'm gonna want coilovers... I live about 40mins away from Eibach (if traffic is nice)... tomorrow I'm gonna drop my car off at Eibach's headquarters 
Fourtitude.com - Eibach is looking for your car!!

Fourtitude.com - Eibach is looking for your car!!
Got the 2001 A4 back today with some nice coilovers! These Eibachs ride quite nicely so far. After I get some miles on the car I'll be posting up review of sorts. But first impressions: they feel solid, though the car isn't as low as my '98 A4 (on Bilstein sports/Tein springs). It's actually still quite comfortable!
Started the engine teardown on the 2001 A4 on Saturday. Got the bumper off, belly pan removed, condenser/radiator/radiator support pulled, and installed resistor plugs for N249 (DV) and N112 (SAI) solenoids. Probably took longer than it should have, but I'm still learning about the 2001 A4 as I go on.
One of the things I learned is that Audi made implemented connectors in a centralized location for all things attached to the radiator support... this made removing the core support MUCH easier as I didn't have to fish wires around, or remove the auxiliary cooling fan! Props to Audi for that design improvement.
Ran a half marathon in Long Beach, CA the next day lol. Working on the car weakened my legs and lower back, so that slowed me down a bit for the half marathon, but I still met my target time.
Then last night I set out to work on timing belt/associated component replacement (idler pulley, tensioner, water pump, thermostat, thermostat housing). Got all of that done except the timing belt has not been reinstalled because I may end up removing the cams to replace the CCT gasket and half-moon seal, and maybe even the cam seals.
Also have all of the SAI crap removed, including the pump, hoses, combi valve, and vacuum lines. The 034 Motorsport blockoff plate is installed in place of the combi valve.
Soon (maybe tonight) I'm gonna drain the oil so I can work on turbocharger removal. And while the oil is draining there will be a good opportunity to work at exhaust removal.
One of the things I learned is that Audi made implemented connectors in a centralized location for all things attached to the radiator support... this made removing the core support MUCH easier as I didn't have to fish wires around, or remove the auxiliary cooling fan! Props to Audi for that design improvement.
Ran a half marathon in Long Beach, CA the next day lol. Working on the car weakened my legs and lower back, so that slowed me down a bit for the half marathon, but I still met my target time.
Then last night I set out to work on timing belt/associated component replacement (idler pulley, tensioner, water pump, thermostat, thermostat housing). Got all of that done except the timing belt has not been reinstalled because I may end up removing the cams to replace the CCT gasket and half-moon seal, and maybe even the cam seals.
Also have all of the SAI crap removed, including the pump, hoses, combi valve, and vacuum lines. The 034 Motorsport blockoff plate is installed in place of the combi valve.
Soon (maybe tonight) I'm gonna drain the oil so I can work on turbocharger removal. And while the oil is draining there will be a good opportunity to work at exhaust removal.
So last night I drained the oil and installed an ECS Tuning magnetic oil drain plug. Many places say to torque it at 37 ft-lbs, but others say 22 ft-lbs... nowhere have I seen mentioned how those torque values apply to the 26mm drain plug on AEB engines and the 14mm drain plug on AWM engines... I'm wondering if 22 ft-lbs is what should be done on the AWM, especially with the soft (aluminum?) ECS uses to make their drain plug. Bentley says 30 ft-lbs, but again they don't specify which engine that's for.
Also pulled the valve cover off and have it with me at work. Was pleased to see a very clean-looking valvetrain underneath
though in the past somebody was a dumbass and used some orange sealant around multiple parts of the valve cover gasket, so I wasted some time cleaning that crap off. And there was also an aqua-colored goop around the back part of the head where the valve cover meets. This stuff is nasty... it's like a sticky gel and takes an unnecessary amount of effort to clean up.
Going to also replace the CCT gasket and half-moon seal tonight (hopefully). Will have to bust out the CCT tool!
EDIT: (later) Accomplished everything I set out to do. Got the timing all buttoned up (double-checked that the crank/cam timing is good) and got the CCT gasket replaced. Replacing the CCT gasket sucks when you don't remove the CCT, especially when you're cleaning out old sealant that shouldn't have been there in the first place.
Also replaced the valve cover gaskets and painted the valve cover with VHT Engine Enamel in satin black.
Lastly I swapped the coolant temp sensor for a new OEM one just as preventative maintenance.
Also pulled the valve cover off and have it with me at work. Was pleased to see a very clean-looking valvetrain underneath
though in the past somebody was a dumbass and used some orange sealant around multiple parts of the valve cover gasket, so I wasted some time cleaning that crap off. And there was also an aqua-colored goop around the back part of the head where the valve cover meets. This stuff is nasty... it's like a sticky gel and takes an unnecessary amount of effort to clean up.Going to also replace the CCT gasket and half-moon seal tonight (hopefully). Will have to bust out the CCT tool!
EDIT: (later) Accomplished everything I set out to do. Got the timing all buttoned up (double-checked that the crank/cam timing is good) and got the CCT gasket replaced. Replacing the CCT gasket sucks when you don't remove the CCT, especially when you're cleaning out old sealant that shouldn't have been there in the first place.
Also replaced the valve cover gaskets and painted the valve cover with VHT Engine Enamel in satin black.
Lastly I swapped the coolant temp sensor for a new OEM one just as preventative maintenance.
Last edited by MetalMan; Oct 17, 2013 at 01:55 AM.


